概述
煤粉管道和灰粉管道膨脹節根據管道內介質為固體顆粒和熱風氣固雙相高速流體這一特殊工況,采用兩次密封,從根本上解決泄漏問題。產品依據美國膨脹節制造商協會標準《EJMA》進行電腦優化設計, 加之先進工藝、精設備和完善的測試,材料可根據電廠實際使用情況改進。膨脹材料為1Cr18Ni9Ti、SUS304、SUS316、SUS316L,過流筒體采用耐磨材料制造,從而保證產品設計先進、結構合理、性能穩定、剛度小、抗疲勞性能高等優點。
另外,我公司還可以為用戶加工各種規格的矩形波紋管及其他各類非標波紋管。
單式煤灰管道膨脹節相關技術參數




注:1、表中產品設計壓力:0.15MPa,設計溫度:45℃。
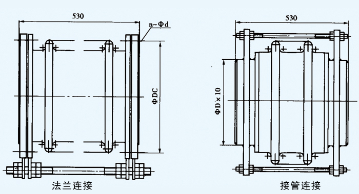
2、表中符號代表和技術參數:△X:軸向補償量(mm); △θ:角向補償量(度); △Y:橫向補償量(mm);KX:軸向剛度(N/mm); Ky:橫向剛度(N/mm); L:產品總長(mm);ΦDx10:接管外徑x接管厚度(表中mm),產品為接管連接;ΦDc:連接孔分布的中心圓直徑; n-Φd:n為連接孔數,Φd為連接孔徑,產品為法蘭連接;
3、表中規格為電廠常用技術參數產品,與表中規格不同的產品,請提供以下技術參數:公稱通徑、工作(zui高)壓力、工作(zui高)溫度、補償量(軸向、角向、橫向)、接口尺寸或法蘭標準、產品總長、是否預拉伸等要求,我公司根據您的技術要求提供優良的產品和服務。

